Hello Jazman,
thanks for your answer. Do you mean this part of the schematic?
Rüdiger
Connecting a LCD to the original P2K hardware
-
cyclonemystery
- member
- Posts: 14
- Joined: Fri Sep 04, 2009 3:49 pm
- Location: Germany, near Frankfurt
Re: Connecting a LCD to the original P2K hardware
- Attachments
-
- AudioSchematic.jpg (36.09 KiB) Viewed 23093 times
Re: Connecting a LCD to the original P2K hardware
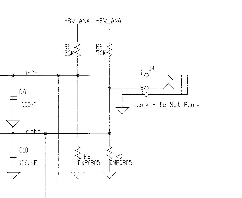
No, it's this part... Also, I just jumpered the MUTE# signal which is J1 - pin 1 or the one side of R18 to the +5_ANA supply at any location you can find. I did it at a convenient via. I know Eric used an RC circuit and tied it to the digital 5V supply from the power connector. If you use the analog supply, you won't need the RC. Also, you can just use a separate +12V only supply and won't need a 5V/12V supply. You will very likely need a separate +12V supply to do this as the modern PC supplies are just too noisy.
I do like Eric's method of soldering a wired 1/8" jack to the board. It works better if you're not used to soldering. I used a connector I bought at a chain electronics store and an 1/8" patch cable. I think it looks a little cleaner but may not be for everyone.
Best of luck,
Keith
(edit to correct typo)
I do like Eric's method of soldering a wired 1/8" jack to the board. It works better if you're not used to soldering. I used a connector I bought at a chain electronics store and an 1/8" patch cable. I think it looks a little cleaner but may not be for everyone.
Best of luck,
Keith
(edit to correct typo)
- Attachments
-
- AudioInput.JPG (49.32 KiB) Viewed 23085 times
Last edited by Jazman on Mon Sep 14, 2009 2:13 pm, edited 1 time in total.
Jaz
TAF, IJ(93), RFM, SWE1(kit), BSD, Monopoly, LOTR
TAF, IJ(93), RFM, SWE1(kit), BSD, Monopoly, LOTR
-
cyclonemystery
- member
- Posts: 14
- Joined: Fri Sep 04, 2009 3:49 pm
- Location: Germany, near Frankfurt
Re: Connecting a LCD to the original P2K hardware
Hello Keith
Arghh, now I understand. I was on a wrong way, because there were a label "WARRANTY VOID IF REMOVED" over J4. I thought the connector place is L1. Now is clear. Thank you very much
Rüdiger
Arghh, now I understand. I was on a wrong way, because there were a label "WARRANTY VOID IF REMOVED" over J4. I thought the connector place is L1. Now is clear. Thank you very much
Rüdiger
- Attachments
-
- Audio.jpg (75.91 KiB) Viewed 23075 times
Re: Connecting a LCD to the original P2K hardware
Update: I got a LCD monitor to work with the original P2K computer. I bought a CGA to VGA converter off ebay (made in Taiwan?) and I had to combine the HS and VS signals and invert them with a 7402 NOR gates IC. The output had a 10K resistor on it. Connected it all up and it worked like a charm. Now, it's onto the Nucore system once the custom case arrives!!
Sam
Sam
-
TerryJNelson
- member
- Posts: 1
- Joined: Sun Oct 18, 2009 6:42 pm
Re: Connecting a LCD to the original P2K hardware
Sam,Sam wrote:Update: I got a LCD monitor to work with the original P2K computer. I bought a CGA to VGA converter off ebay (made in Taiwan?) and I had to combine the HS and VS signals and invert them with a 7402 NOR gates IC. The output had a 10K resistor on it. Connected it all up and it worked like a charm. Now, it's onto the Nucore system once the custom case arrives!!
Sam
Could you provide a schematic of the sync inversion hardware you used? Thanks!
Terry
Re: Connecting a LCD to the original P2K hardware
Don't have a schematic but it's very simple. It's just a 7402 (NOR gates) chip. Hook up the ground and power (+5V). The HS and VS signals from the video output goes into the inputs. The output had a 10k resistor in series and connected to the CS pin of the CGA to VGA converter. That was it. As a cable, just used a 15 pin VGA cable and cut it to get at the relevant signals. Went to the local electronics shop, got a small bread board, sockets, connectors, IC and wired it up.
Re: Connecting a LCD to the original P2K hardware
It would be cool if you showed a bill of materials and quick instructions for people who wanted to do this.Sam wrote:Don't have a schematic but it's very simple. It's just a 7402 (NOR gates) chip. Hook up the ground and power (+5V). The HS and VS signals from the video output goes into the inputs. The output had a 10k resistor in series and connected to the CS pin of the CGA to VGA converter. That was it. As a cable, just used a 15 pin VGA cable and cut it to get at the relevant signals. Went to the local electronics shop, got a small bread board, sockets, connectors, IC and wired it up.
Re: Connecting a LCD to the original P2K hardware
Bill of materials:
1 - VGA cable
1 - bread board (just big enough to put 1 chip and 3 connectors)
1 - 7402 IC
3 - .100 headers (you choose if you want key pins or not) (1 for input, 1 for power+gnd, 1 for output)
1 - 10k resistor
1 - 14 pin DIP IC socket (optional)
1 - Jamma CGA to VGA converter
PCB standoffs to mount to side of head
some wire
Basic goal:
The sync signals (vertical and horizontal) needs to be modified to be compatible with the converter card and that's where you make a little board with the above components to do that. In essence, the two signals needs to be combined and inverted.
Instructions
Refer to pinrepair.com for pin layout of the video cable (VGA cable used for CGA signal)
Cut up the cable and expose the internal wires. Figure out which is connected to which pin. Label if you wish.
The Red, Green, Blue and Gnd signals will go directly from video out to the converter card. The 8 pin port on the converter card is used and a connector is usually included with the converter card for that 8 pin port.
Power and gnd is required for both the custom sync board and the converter card so you'll need to make a power cable for that. I just made one that daisy chained from the pc power supply to the breadboard to the converter card. There's a two pin header on the converter for 5V DC and gnd. On the 7402 IC, pin 14 is for 5V DC and pin 7 is gnd.
The 7402 IC has 4 separate 2-input NOR gates. Only one will be used so just choose one that makes sense to how you want to layout your board and headers. Feed the HS and VS signals directly from the VGA cable to the inputs of the selected gate.
In dealing with the output, the voltage is a little high so a 10k resistor was used to lower the signal strength. Connect one of the 10k resistor to the output of the gate. The other end of the resistor to the wire or a header if you choose to do so. That will be fed into the CS pin on the converter card.
The final step is to fiddle with the settings on the converter card if get the desired look.
I'll dig up the reference link that I used to do this as I'm not taking credit for it.
1 - VGA cable
1 - bread board (just big enough to put 1 chip and 3 connectors)
1 - 7402 IC
3 - .100 headers (you choose if you want key pins or not) (1 for input, 1 for power+gnd, 1 for output)
1 - 10k resistor
1 - 14 pin DIP IC socket (optional)
1 - Jamma CGA to VGA converter
PCB standoffs to mount to side of head
some wire
Basic goal:
The sync signals (vertical and horizontal) needs to be modified to be compatible with the converter card and that's where you make a little board with the above components to do that. In essence, the two signals needs to be combined and inverted.
Instructions
Refer to pinrepair.com for pin layout of the video cable (VGA cable used for CGA signal)
Cut up the cable and expose the internal wires. Figure out which is connected to which pin. Label if you wish.
The Red, Green, Blue and Gnd signals will go directly from video out to the converter card. The 8 pin port on the converter card is used and a connector is usually included with the converter card for that 8 pin port.
Power and gnd is required for both the custom sync board and the converter card so you'll need to make a power cable for that. I just made one that daisy chained from the pc power supply to the breadboard to the converter card. There's a two pin header on the converter for 5V DC and gnd. On the 7402 IC, pin 14 is for 5V DC and pin 7 is gnd.
The 7402 IC has 4 separate 2-input NOR gates. Only one will be used so just choose one that makes sense to how you want to layout your board and headers. Feed the HS and VS signals directly from the VGA cable to the inputs of the selected gate.
In dealing with the output, the voltage is a little high so a 10k resistor was used to lower the signal strength. Connect one of the 10k resistor to the output of the gate. The other end of the resistor to the wire or a header if you choose to do so. That will be fed into the CS pin on the converter card.
The final step is to fiddle with the settings on the converter card if get the desired look.
I'll dig up the reference link that I used to do this as I'm not taking credit for it.
Re: Connecting a LCD to the original P2K hardware
Here's the original source. It's in French so translate it with google or whatever is your favorite translator.
http://www.flipjuke.fr/pinball-2000-crt ... 57003.html
Sam
http://www.flipjuke.fr/pinball-2000-crt ... 57003.html
Sam