|
|
![]() |
|
Downloads
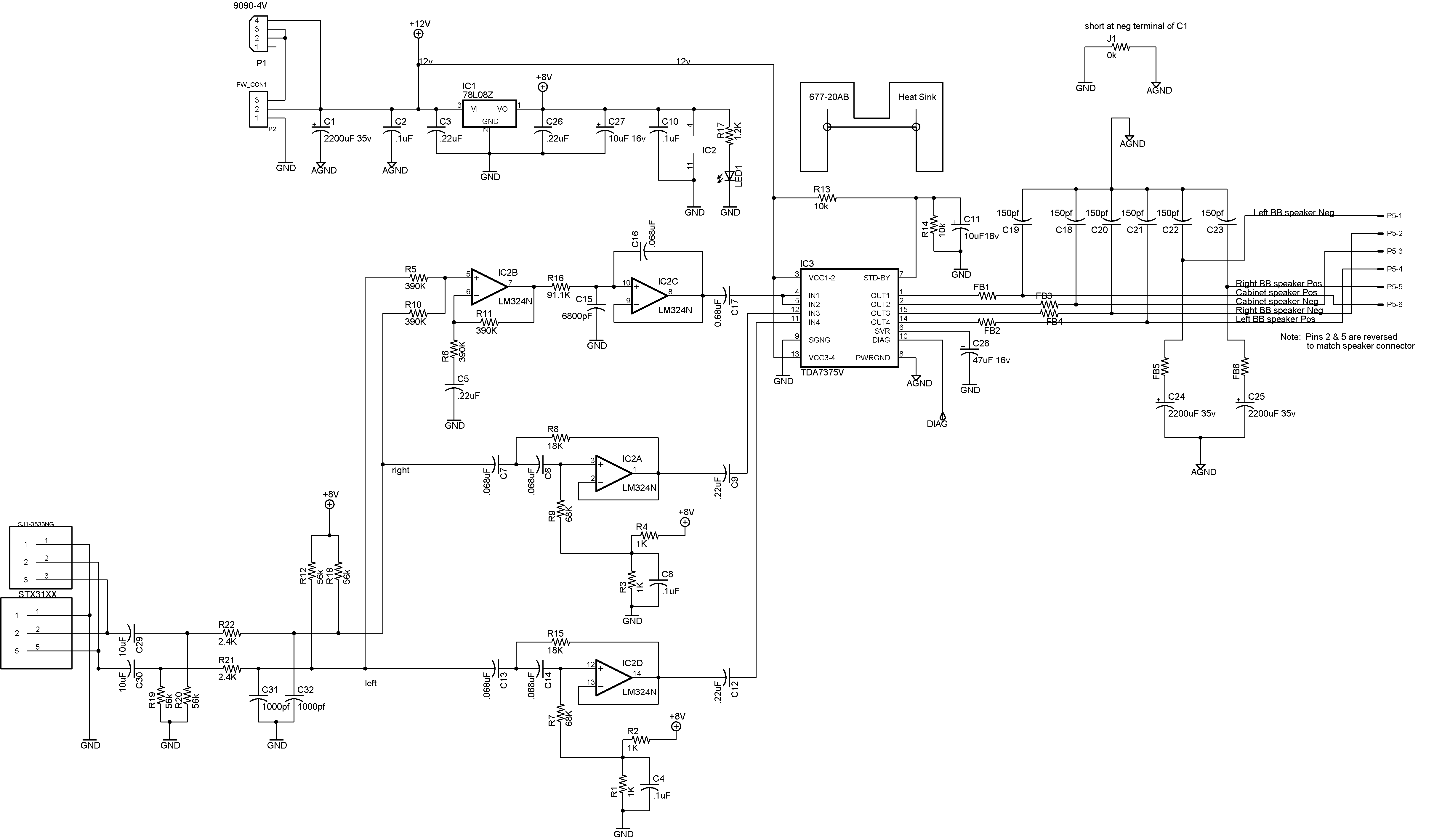
Nucore Files Nucore Update 2.25.3R (Requires 2.25) Nucore Update 2.25 (For existing Nucore users) Nucore Manual (Version 2.1) BGP has revised their access procedures to Nucore and its component files Schematics Audio Amp (BMP) Audio Amp (PDF) Patches Audio Fix - no sound or garbled after extended play BIOS BIOS Update for Foxconn M61PMP-K (fixes power on reboot) |